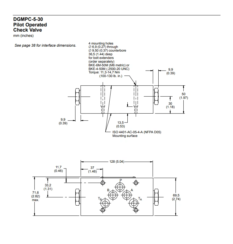
Valvole di ritegno pilotate EATON VICKERS DGMPC DGMPC-5-AB DGMPC-5N-AB DGMPC-5P-AB
Queste valvole sono unità di ritegno singole o doppie. Le unità di controllo doppie hanno elementi di controllo identici situati nelle linee di attacco dei cilindri "A" e "B". Gli otturatori della valvola di ritegno vengono spostati in posizione aperta da un gruppo di controllo pilota centrale che si muove verso un ritegno o l'altro, a seconda di quale porta è pressurizzata. La valvola di ritegno situata nel circuito di ritorno viene aperta dalla pressione operativa nel circuito primario. Quando la pressione nella linea pilota viene scaricata, la valvola di ritegno rimarrà chiusa. Sono disponibili pressioni di cracking (apertura) della valvola di ritegno di 1 bar (15 psi), 2,5 bar (36 psi) e 5 bar (73 psi)

Forniamo componenti dei migliori produttori come Bosch Rexroth, Rexroth
Indramat, Parker Hannifin, Moog, Eaton Vickers, Denison, Hawe, Sunfab, Yuken, Hydac, Kawasaki/KPM, Staffa, Voith, Sauer Danfoss, Hydro Leduc, Calzoni, Atos, Bucher, Oilgear, Tokyo Keiki, Schneider KREUZNACH, Linde, Marzocchi, Eckerle, HBM, Siemens, Schneider Electronic, Sick, Baumer, Herion, Norgren, Aventics .....
Sentiti libero di contattarci per favore se sei interessato alle nostre vendite. BAILE HYDRAULIC è il tuo bello
partner nelle risorse di idraulica ed elettronica. Maggiori dettagli, visitateci
R
| Valvole di ritegno pilotate EATON VICKERS DGMPC |



|
|
DG4V-3-0AMUA6-60 DG4V.3-0AM-UED6-60 DG4V3-0AMUG7-60 DG4V3-0A-MU-H 7-60 DG4V-3-0B-MUA6-60 DG4V-30BMUED6-60 DG4V30B-MUG7-60 DG4V-30B-MU-H 7-60 DG4V30CMU-A6-60 DG4V-3-0CMUED6-60DG4V3-0CM-UG7-60 DG4V30CMU-H7-60 DG4V{{ 48}}AMUA6-60 DG4V-3-2AM-UED6-60 DG4V-3-2A-MU-G7-60 DG4V3-2A-MUH{{ 63}} DG4V-3-2B-MU-A6-60 DG4V-3-2BMU-ED6-60 DG4V-3-2B-MUG760 DG4V-3-2B- MUH760 DG4V3-2CMU-A6-60 DG4V-3-2CMUED6-60 DG4V-3-2CMUG7-60 DG4V3-2C-MU-H 7-60 DG4V3-2N-MUA6-60 DG4V3-2NM-UED6-60 DG4V3-2N-MUG760 DG4V3-2N- MU-H7-60 DG4V36CM-UA6-60 DG4V-3-6C-MUED6-60 DG4V3-6CM-UG7-60 DG4V-36 CMU-H7-60 DG4V3-8CVMUA6-61 DG4V3-8CVMUED6-61 DG4V3-8CVMUG7-61 DG4V-3-8 CVMUH761
DGMC-3-PT-BW-41DGMC-3-PT-CW-41 DGMC-3-PT-GW-41
DGMC-3-ATGW-41
DGMC2-3-AB-BWBABW-41 DGMC2-3-AB-CWBACW-41 DGMC2-3-AB-GWBA-GW-41
DGMC23-AT-CWBT-CW-4 DGMA-3-B-10
DGMA-3-C1-10
DGMA-3-C210
DGAM-3-01-10R
DGMDC3-YPK-41
DGMDC-3-XTK-4
DGPC-3-ABK-41
DGPC-3BAK-40
DGPC-3-ABK-BAK-41
DGMFN-3-ZPTW-41
DGMFN-3-ZP2W-41
DGMFN-3-ZT1W-41
DGMFN-3-XA2W-41
DGMFN-3-X-AWB1W-41
DGMFN-3-X-A2WB2W-41
DGMFN-3-YATWB1W-41
DGMFN-3-YA2W-B2W-41
DGMX2-3-PA-BW-B-40DGMX2-3-PAFW-B-40
DGMX2-3-PB-CWB-40
DGMX2-3-PPAWB-40 DGMX2-3-PPBWB-40 DGMX2-3-PPCWB-40 DGMX2-3-PPFWB-40
DGMX2-3-PABW-B-40DGMX2-3-PAFW-B-40 DGMX2-3-PB-CWB-40 DGMX2-3-PPAWB{ {10}} DGMX2-3-PPBWB-40 DGMX2-3-PPCWB-40 DGMX2-3PPFWB-40
Etichetta sexy: valvole di ritegno pilotate Eaton Vickers dgmpc dgmpc-5-ab dgmpc-5n-ab dgmpc-5p-ab















