
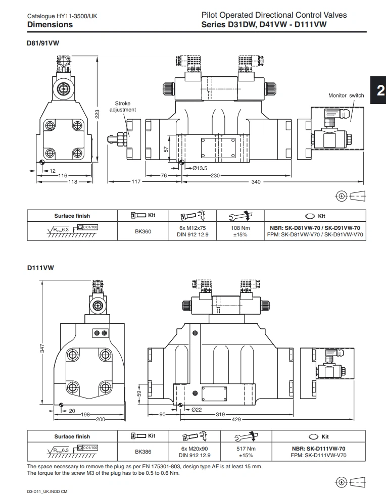
Valvole di controllo direzionale pilotate PARKER Serie D31DW D41VW D81VW D91VW D111VW
Le valvole D31, D41, D81, D91 e D111 sono valvole di controllo direzionale a 4/3 o 4/2 vie controllate elettricamente. Le valvole sono pilotate da una valvola NG6. La pressione e il flusso dell'olio pilota hanno un'influenza significativa sul tempo di risposta della bobina nello stadio principale. Per garantire una commutazione sicura della bobina, scegliere l'appropriata opzione di alimentazione e scarico dell'olio pilota. (I cursori con collegamento da P a T necessitano di un'alimentazione di pressione esterna o di una valvola di ritegno integrata. Per i cursori con posizione di crossover negativa si consigliano le stesse opzioni.) La pressione pilota minima deve essere garantita per tutte le condizioni operative della valvola direzionale.


|
Serie di valvole di controllo direzionale pilotate PARKER D31DW D41VW D81VW D91VW D111VW
|








Etichetta sexy: Valvole di controllo direzionale pilotate Parker serie d31dw d41vw d81vw d91vw d111vw









